NTN KYA075 bearings
KYA075, NTN Ultra-Thin section ball bearings, angular type

- Measurement system
- Inch
- Bore diameter
- 190.500 mm
- Outside diameter
- 203.200 mm
- Width
- 6.350 mm
- Cr
- 8300 N
- C0r
- 16200 N
- Net weight
- 0.154 kg
- Number of rows
- 1
- Contact angle deg
- 30
- Sealing
- Without
- Cage
- Brass
- Bearing material
- Steel
- Rolling material
- Steel
- Tolerance class
- Other
- Lubricant in bearing
- Without
In stock
Technical specification for NTN KYA075
Bearing number | KYA075 | |
---|---|---|
Brand | NTN | |
Type | Ultra-Thin Section Type Ball bearing, Angular type | |
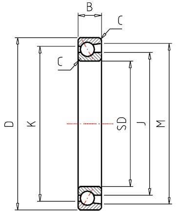
d | 190.5 mm | Boundary dimensions |
D | 203.2 mm | |
B | 6.35 mm | |
C | 0.6 mm | |
Cr | 8.3 kN | Basic dynamic load rating, Radial |
C0r | 16.2 kN | Basic static load rating, Radial |
Ca | 10.9 kN | Basic dynamic load rating, Axial |
C0a | 49 kN | Basic static load rating, Axial |
Cu | 0.77 kN | Fatigue load limit |
J | 195.2 mm | Reference dimensions |
K | 198.5 mm | |
M | 199.8 mm | |
Mass | 0.154 kg | (approx.) |

NTN KYA075 ultra-thin section type ball bearings are bearings with an extremely thin design.
KYA075 is angular type, which have a straight line that runs through the point where each ball contacts the inner and outer rings at two points at 30° with respect to the radial direction. KYA075 bearings can receivea a unidirectional axial load or a complex load of radial load and axial load. The ability to include an increased number of balls increases the load capacity of the bearing.
NTN KYA075 bearings are normally used in pairs for applications where it is necessary to control the axial movement via axial internal clearance or preload.
- Log in to post comments
Related products

NTN KXA075
Brand: NTN
KXA075, NTN Ultra-Thin section ball bearings, 4-point contact type

NTN KRA075
Brand: NTN
KRA075, NTN Ultra-Thin section ball bearings, Radial type

INA CSXA075-HLE
Brand: INA
Four point contact bearing, Thin section bearing CSXA, brass sheet metal cage

INA CSCA075-HLE
Brand: INA
Deep groove ball bearing, Thin section bearing CSCA, brass sheet metal cage

INA CSEA075-HLE
Brand: INA
Angular contact ball bearing, Thin section bearing CSEA, brass sheet metal cage

KAYDON KA075XP0
Brand: KAYDON
Reali-Slim open thin section ball bearings, KA series, Type X -- four-point contact, 7.5x8x0.25 inches

KAYDON KA075CP0
Brand: KAYDON
Reali-Slim open thin section ball bearings, KA series, radial contact, 7.5x8x0.25 inches

KAYDON KA075AR0
Brand: KAYDON
Reali-Slim open thin section ball bearings, KA series, angular contact, 7.5x8x0.25 inches