INA XV40 bearings
XV40 INA crossed roller bearings without gear teeth
- Bore diameter
- 40.000 mm
- Outside diameter
- 85.000 mm
- Total width
- 15.000 mm
- Cr
- 9300 N
- C0r
- 15900 N
- Ca
- 13000 N
- C0a
- 32500 N
- Net weight
- 428.0 g
- Measurement system
- Metric
- Sealing
- Seal on both sides
- Cage
- Plastic spacers
- Bearing material
- Steel
- Rolling material
- Steel
- Lubricant in bearing
- Grease
- Relubrication feature
- With
In stock
Technical specification for INA XV40
| Part Number | XV40 | |
|---|---|---|
| Main Dimensions & Performance Data | ||
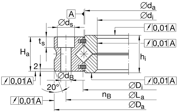
| di | 40 mm | Bore Diameter |
| 0.01 mm | Bore diameter upper tolerance | |
| -0.006 mm | Bore diameter lower tolerance | |
| Da | 85 mm | Outside Diameter |
| 0 mm | Outside diameter upper tolerance | |
| -0.022 mm | Outside diameter lower tolerance | |
| hi | 15 mm | Heigth inner ring |
| m | 428.0 g | Weight |
| Dimensions of XV40 | ||
| Di | 52.5 mm | Inner diameter outer ring |
| da | 51.5 mm | Outer diameter inner ring |
| Ha | 14 mm | Width outer ring |
| La | 70 mm | Pitch circle diameter fixing holes |
| nB | 12 | Quantity of fixed holes evenly around the circumfence |
| dB | 4.6 mm | Diameter fixing hole outer ring |
| dS | 8 mm | Countersunk diameter of fixing holes |
| tS | 4.6 mm | Countersunk depth of fixing holes |
| Calculation factors for XV40 | ||
| 0.01 mm | Running accuracy, radial | |
| 0.01 mm | Running accuracy, axial | |
| Ca | 13000 N | Basic dynamic load rating, axial |
| C0a | 32500 N | Basic static load rating, axial |
| Cr | 9300 N | Basic dynamic load rating, radial (for radial load only) |
| C0r | 15900 N | Basic static load rating, radial (for radial load only) |
| Fr zul. | 5000 N | Max. radial load screws (frictional contact) |
| NG Grease | 1,469 1/min | Limiting speed for grease lubrication with normal clearance |
| NG Grease | 735 1/min | Limiting speed for grease lubrication with preload |
INA XV40 crossed roller bearings without gear teeth have lamellar seals on both sides.
- Log in to post comments